Введение продукта
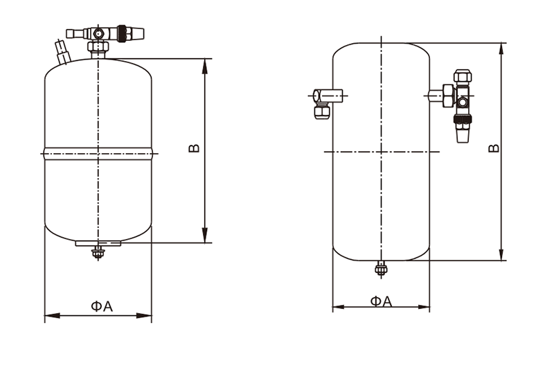
Вертикальный жидкостный ресивер является оптимальным выбором для холодильных систем, требует вертикального монтажа, максимальное рабочее давление составляет 2,0 МПа. Вертикальный жидкостный ресивер оснащен высококачественным поворотным клапаном, позволяющим производить монтаж с вращением на 360 градусов.
English
русский
























